Cauta
My Cart 0
0,00 RON

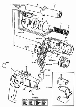
SCREW

SKU Produs: 747329

4,70 RON
Pret 4,70 RON

Produse care utilizeaza aceasta piesa