Cauta
My Cart 0
0,00 RON

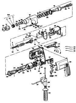
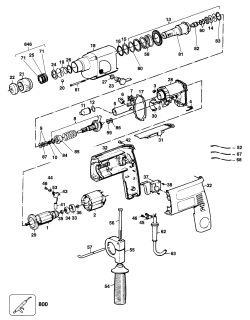
BEARING COVER

SKU Produs: 870052

4,70 RON
Pret 4,70 RON

Produse care utilizeaza aceasta piesa