ROTARY HAMMER
SKU Produs: P8020
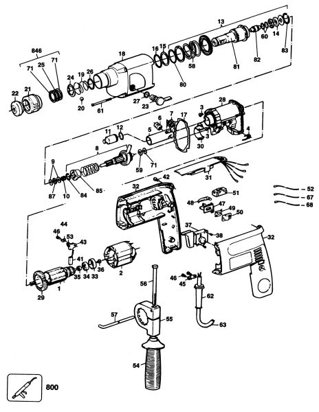
| Pozitie | Cod piesa | Piese utilizate | Nume piesa | Pret | Cantitate/Adauga in cos |
|---|---|---|---|---|---|
| 6 | 487143-00 | 1 | BOLT, BEARING | 25,54 Lei | |
| 12 | 577168-00 | 1 | RING O DYNAMIC 13X3 | 5,21 Lei | |
| 14 | N451068 | 1 | CATCHRING | 8,64 Lei | |
| 19 | 871690 | 1 | SPRING BEVEL | 4,57 Lei | |
| 20 | 583890-00 | 1 | BALL 7.0 | 5,21 Lei | |
| 24 | 578387-00 | 1 | SDS BALL PLATE (WASHER SDS 1.4MM) | 7,37 Lei | |
| 25 | 323480-00 | 1 | 7150, WASHER | 12,71 Lei | |
| 33 | 870052 | 1 | BEARING COVER | 4,57 Lei | |
| 34 | 330003-19 | 1 | BEARING, BALL | 15,12 Lei | |
| 38 | 911026 | 2 | SCREW | 4,57 Lei | |
| 42 | 911325 | 5 | SCREW | 4,5 Lei | |
| 45 | 821070 | 1 | CLAMP, CORD | 4,57 Lei | |
| 51 | 324400-00 | 1 | SWITCH - REVERSING. BLACK | 51 Lei | |
| 57 | 580787-00 | 1 | DEPTH STOP | 6,23 Lei | |
| 800 | 870889-02 | 1 | RENOLIT PARAGON EP 1/2 | 52,22 Lei |