Cauta
My Cart 0
0,00 RON

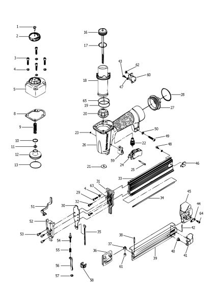
BOSTITCH NAILER (Type 1)

SKU Produs: SB-2IN1-E /Type: 1

Pozitie Cod piesa Piese utilizate Nume piesa Pret Cantitate/Adauga in cos
1 9R206619 1 SCREW 4,57 Lei
3 S0110540100 1 HEX SOC HD BOLT 4,57 Lei
18 188708 1 CYLINDER 17,02 Lei
20 P0590001200 1 BUMPER 13,85 Lei
27 9R209716 1 END CAP 17,02 Lei
28 S06Z001900 1 O-RING 4,57 Lei
62 9R202137 1 NUT 4,57 Lei