Cauta
My Cart 0
0,00 RON
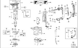
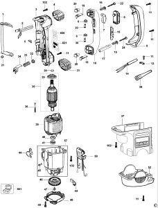
Piese scule electrice

Piese scule electrice

Articole 13-24 din 61

Set Descending Direction
per pagina

Articole 13-24 din 61

Set Descending Direction
per pagina