BLACK+DECKER DIAMOND CORE DRILL Type 1
SKU Produs: M4400
| Pozitie | Cod piesa | Piese utilizate | Nume piesa | Pret | Cantitate/Adauga in cos |
|---|---|---|---|---|---|
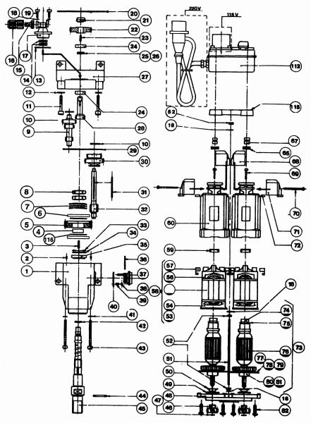
| 57 | 933373-00 | 4 | BRUSH 230V | 34,05 Lei | |
| 59 | 938332-00 | 2 | SLEEVE | 4,57 Lei | |
| 69 | 931297-00 | 4 | SCREW | 7,37 Lei | |
| 74 | 577745-00 | 2 | BEARING 6000 T1XDDW | 25,54 Lei | |
| 75 | N174055 | 2 | SPACER (A3EG6) | 4,7 Lei | |
| 75 | N174106 | 2 | KIT FLAPS DW711 T.7 | 94,2 Lei | |
| 77 | 931062 | 2 | SPACER | 14,8 Lei | |
| 78 | 931066-00 | 2 | FLANGE | 26,1 Lei | |
| 79 | 931067-00 | 2 | SEAL SA | 14,2 Lei | |
| 81 | 930028-00 | 2 | O-RING | 4,57 Lei |