HD 7-122
SKU Produs: HD 7-122
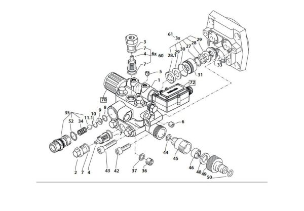
| Pozitie | Cod piesa | Piese utilizate | Nume piesa | Pret | Cantitate/Adauga in cos |
|---|---|---|---|---|---|
| 26 | 15039 | 1 | Pressure gauge 0-250 bar Ø63mm | 268 Lei | |
| 60 | 416481 | 1 | Repair kit valves for AZ pump | 216 Lei | |
| 61 | 49053 | 1 | Repair kit Sleeves 14 mm | 436 Lei | |
| 70 | 445321 | 1 | Regulation piston compl. | 304 Lei | |
| 71 | 150093 | 1 | pressure switch mechanism TS | 226 Lei | |
| 72 | 44561 | 1 | Pressure switch electric cpl. | 188 Lei | |
| 73 | 445912 | 1 | Ventilgehäuse kpl. | 1735 Lei |