DEWALT SAW (Type 1)
SKU Produs: DW86 /Type: 1
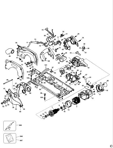
| Pozitie | Cod piesa | Piese utilizate | Nume piesa | Pret | Cantitate/Adauga in cos |
|---|---|---|---|---|---|
| 4 | 145323-01 | 2 | BRUSH AND SPRING BK24 | 30,1 Lei | |
| 7 | 384127-01 | 4 | SCREW, MACHINE PAN HD | 4,7 Lei | |
| 8 | N571221 | 1 | CORDSET QS 3600PCP | 81,9 Lei | |
| 8 | N571224 | 1 | SA CORDSET, POWER SUPPLY | 59,2 Lei | |
| 9 | 605040-20 | 1 | Ball Brg | 17,4 Lei | |
| 10 | 868768-07 | 1 | BEARING 6202 | 34,8 Lei | |
| 13 | 930098-00 | 1 | RING,SPRING SHAFT D15 UNI7435 | 4,7 Lei | |
| 15 | 701297-00 | 1 | SEAL | 4,7 Lei | |
| 16 | 330019-19 | 2 | SCREW, PLASTITE | 5,3 Lei | |
| 17 | 87205-00 | 2 | PIN | 4,5 Lei | |
| 20 | 330004-06 | 1 | BEARING, NEEDLE | 10,5 Lei | |
| 21 | 330019-20 | 2 | SCREW | 4,7 Lei | |
| 22 | 330045-19 | 4 | SCREW TEMP | 4,7 Lei | |
| 25 | 330019-14 | 6 | SCREW, PLASTIC THREAD FORM M4X25 T20 | 4,7 Lei | |
| 28 | 949894-06 | 2 | FILLISTER HEAD SCREW | 4,7 Lei | |
| 32 | 869044-00 | 1 | SWINGING PROTECTON DW86 | 165,3 Lei | |
| 35 | 145350-00 | 1 | BUTTON | 4,7 Lei | |
| 38 | N388721 | 1 | TORSION SPRING D23700 | 6,4 Lei | |
| 42 | 145344-00 | 1 | SCREW SPECIAL | 10,5 Lei | |
| 43 | 145446-00 | 1 | WASHER OUTER CLAMP | 10,5 Lei | |
| 44 | 145442-03 | 1 | WASHER INNER CLAMP | 26,1 Lei | |
| 45 | 860092-03 | 2 | NUT M5 | 4,7 Lei | |
| 49 | 868448-00 | 2 | SWINGING ROLLER, MH286 | 4,5 Lei | |
| 55 | 330045-06 | 4 | SCREW, METAL THD FRM,M4X16 T20 | 4,7 Lei | |
| 57 | 945121-00 | 2 | SCREW 4 X 10 | 4,7 Lei | |
| 58 | 326573-01 | 2 | SCREW, WING M6*17 BLACK | 5,3 Lei | |
| 61 | N022876 | 1 | CARRIAGE BOLT | 4,7 Lei | |
| 62 | 949894-06 | 1 | FILLISTER HEAD SCREW | 4,7 Lei | |
| 64 | 860083-02 | 1 | NUT,HEX THICK M.5 UNI 5587 | 4,7 Lei | |
| 65 | 860094-12 | 2 | SCREW TCBPH 6X16 8112 | 4,7 Lei | |
| 70 | 320078-00 | 1 | BLOCK TERMINAL | 4,7 Lei | |
| 71 | 003618-00 | 1 | CORD CLAMP | 8,8 Lei | |
| 73 | 947964-01 | 1 | PROTECTOR ,CORD 11,6 | 15,5 Lei | |
| 75 | 330019-21 | 3 | SCREW.PLSTC THD FORM, M5X32 T25 | 4,7 Lei | |
| 76 | 860084-23 | 1 | SCREW TCBPH3,5X9,5 | 4,7 Lei | |
| 80 | 869076-00 | 1 | SCREW | 4,7 Lei | |
| 95 | 860091-04 | 4 | SCREW,RD.HD M4X10 | 4,7 Lei | |
| 99 | 860091-04 | 2 | SCREW,RD.HD M4X10 | 4,7 Lei | |
| 800 | 870889-02 | 1 | RENOLIT PARAGON EP 1/2 | 53,4 Lei | |
| 846 | 145378-01 | 1 | WRENCH | 10,5 Lei |