DEWALT SANDER (Type 1 - 2)
SKU Produs: DW411 /Type: 1 - 2
| Pozitie | Cod piesa | Piese utilizate | Nume piesa | Pret | Cantitate/Adauga in cos |
|---|---|---|---|---|---|
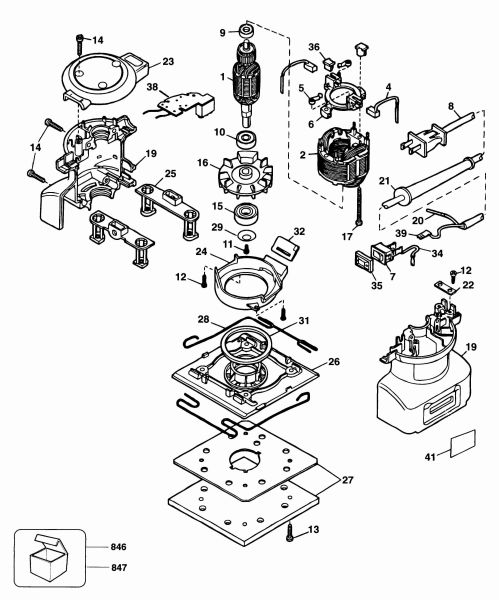
| 4 | 445861-13 | 2 | BRUSH 230V SA | 20,4 Lei | |
| 5 | 445860-00 | 2 | SPRING, BRUSH | 4,7 Lei | |
| 6 | 449899-05 | 1 | RING | 31,6 Lei | |
| 7 | 656494-00 | 1 | SWITCH | 14,2 Lei | |
| 8 | 330120-86 | 1 | CORD, PWR SPLY EURO | 72 Lei | |
| 9 | 605040-05 | 1 | BEARING, BALL CW/MFG | 7,5 Lei | |
| 10 | 330003-17 | 1 | BEARING BALL (CE) | 20,4 Lei | |
| 11 | 098012-11 | 1 | SCREW, MACHINE | 4,7 Lei | |
| 12 | 330019-02 | 2 | SCREW, PLSTC THD FORM M3.5X13 T15 | 4,7 Lei | |
| 13 | 464285-00 | 4 | SCREW, MACH | 4,7 Lei | |
| 14 | 330019-13 | 7 | SCREW,PLSTC THD FORM M4X19 T20 | 4,7 Lei | |
| 15 | 330003-64 | 1 | BEARING, BALL | 31,6 Lei | |
| 16 | 464281-00 | 1 | FAN | 17,4 Lei | |
| 17 | 330019-08 | 2 | SCREW, PLASTIC THREAD FORM M3.5 * 45 T1 | 4,7 Lei | |
| 20 | 825209-00 | 1 | CONNECTOR | 4,5 Lei | |
| 21 | N918736 | 1 | CORD PROTECTOR | 5,3 Lei | |
| 25 | N542568 | 2 | SA FOOT (SERVICE) | 26,1 Lei | |
| 26 | N073798 | 1 | PLATEN, 1/4 SHEET | 26,1 Lei | |
| 27 | 151284-00SV | 1 | SA PAD | 34,8 Lei | |
| 28 | 151288-00 | 2 | CLAMP, PAPER | 6,4 Lei | |
| 29 | 151652-00 | 1 | WASHER, CONE | 4,7 Lei | |
| 31 | N100227 | 1 | SA SERVICE PACK DUST SEAL (SERVICE) | 7,5 Lei | |
| 34 | 144989-00 | 1 | SA LEAD WIRE | 4,5 Lei | |
| 35 | 144983-07 | 1 | COVER, SWITCH | 4,7 Lei | |
| 39 | 445964-00 | 2 | TERMINAL | 4,5 Lei | |
| 846 | 144954-00 | 1 | PUNCH, PAPER | 10,5 Lei |