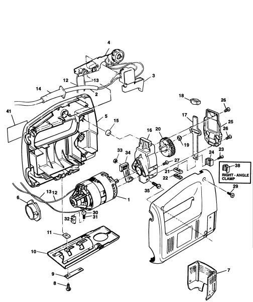
JIGSAW
SKU Produs: MST533E
| Pozitie | Cod piesa | Piese utilizate | Nume piesa | Pret | Cantitate/Adauga in cos |
|---|---|---|---|---|---|
| 11 | 845591 | 2 | NUT | 4,57 Lei | |
| 14 | 770235 | 1 | CORD PROTECTOR | 4,57 Lei | |
| 21 | 810893 | 1 | BEARING | 4,57 Lei | |
| 23 | 797123 | 2 | SCREW | 4,57 Lei | |
| 24 | 847182 | 1 | BLADE CLAMP | 4,7 Lei | |
| 26 | 860094-05 | 1 | SCREW,PAN PH/TT M.4X12UNI8112 | 4,57 Lei | |
| 26 | 891024 | 4 | SCREW | 4,5 Lei | |
| 29 | 809961 | 5 | SCREW NO.8 X 19 POLY | 4,57 Lei | |
| 31 | 847709 | 2 | SPRING | 4,57 Lei |