BLACK+DECKER PLANER Type 1
SKU Produs: D675-04
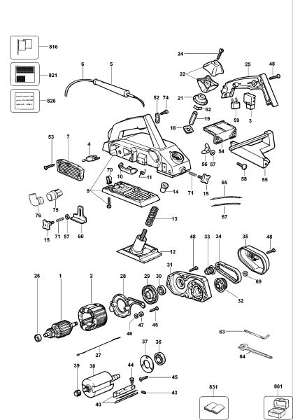
| Pozitie | Cod piesa | Piese utilizate | Nume piesa | Pret | Cantitate/Adauga in cos |
|---|---|---|---|---|---|
| 5 | 320785 | 1 | PROTECTOR, CORD 8.9 | 6,23 Lei | |
| 13 | 572255-00 | 1 | SPRING, COMPRESSION | 8,64 Lei | |
| 26 | N110358 | 1 | BEARING | 17,02 Lei | |
| 33 | 324105-00 | 1 | BELT. PINION (TOOTH) D26500 | 25,54 Lei | |
| 34 | 325106-00 | 1 | BELT. TOOTH | 70,39 Lei | |
| 36 | 861721-01 | 1 | BEARING 6202 2RS HRB | 17,02 Lei | |
| 37 | 868047-00 | 1 | PLATE,BEARING | 17,02 Lei | |
| 39 | 330004-06 | 1 | BEARING, NEEDLE | 10,29 Lei | |
| 40 | 247941-00 | 1 | BLADE SUPPORT | 213,19 Lei | |
| 45 | 860428-04 | 4 | SCREW,CTSKPHAB 3.9X13 UNI6956 | 4,57 Lei | |
| 53 | 949896-12 | 4 | SCREW | 4,57 Lei | |
| 57 | 249221-00 | 2 | WASHER | 4,57 Lei | |
| 69 | 761225-02 | 1 | NUT,HEX MEAN M.12 UNI 5588 ZIN | 4,57 Lei | |
| 75 | 248629-00 | 1 | ADAPTER. DUSTBAG | 21,85 Lei | |
| 816 | 578758-00 | 1 | LABEL, DEWALT | 4,57 Lei |