BLACK+DECKER ANGLE GRINDER Type 1
SKU Produs: CP550
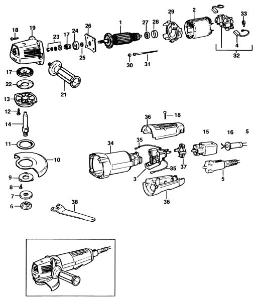
| Pozitie | Cod piesa | Piese utilizate | Nume piesa | Pret | Cantitate/Adauga in cos |
|---|---|---|---|---|---|
| 24 | 577745-00 | 1 | BEARING 6000 T1XDDW | 26,1 Lei | |
| 25 | 930753-00 | 1 | Washer DW831 | 4,7 Lei | |
| 27 | 330003-34 | 1 | BEARING | 26,1 Lei | |
| 28 | 930029-00 | 1 | CUP | 4,7 Lei | |
| 33 | 930090-00 | 2 | BRUSH SPRING | 4,7 Lei |