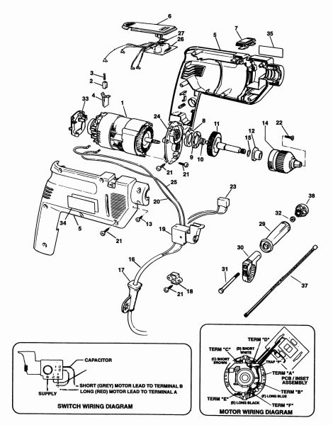
DRILL
SKU Produs: SPEC577
| Pozitie | Cod piesa | Piese utilizate | Nume piesa | Pret | Cantitate/Adauga in cos |
|---|---|---|---|---|---|
| 3 | 847709 | 2 | SPRING | 4,57 Lei | |
| 14 | 586589-00L | 1 | CHUCK KEYLESS | 52,22 Lei | |
| 17 | 770236 | 1 | CORD PROTECTOR | 4,57 Lei | |
| 21 | 809961 | 11 | SCREW NO.8 X 19 POLY | 4,57 Lei | |
| 22 | 805434 | 1 | Screw M5X18 | 4,57 Lei |