BLACK+DECKER UNIVERSAL SAW Type 1
SKU Produs: BD385
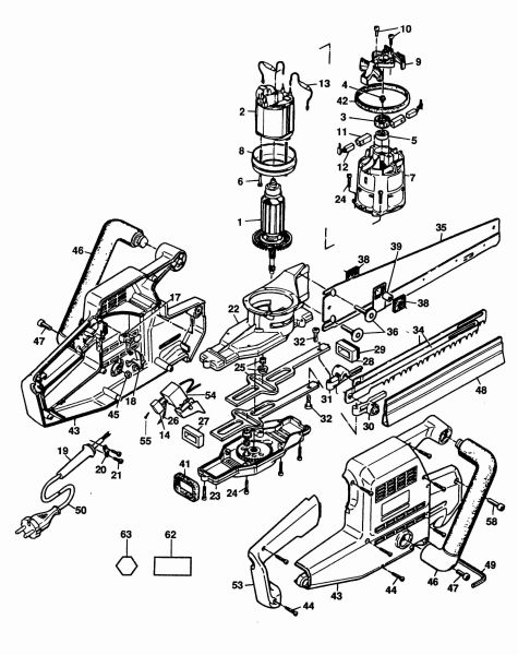
| Pozitie | Cod piesa | Piese utilizate | Nume piesa | Pret | Cantitate/Adauga in cos |
|---|---|---|---|---|---|
| 2 | 373007-15 | 1 | S.A.FIELD M65 ( SERVICE ) | 154,1 Lei | |
| 5 | 330003-19 | 1 | BEARING, BALL | 15,12 Lei | |
| 12 | 322950 | 2 | BRUSH 230V SA | 17,02 Lei | |
| 14 | 321384 | 1 | CAPACITOR, 0,1UF L108 | 12,71 Lei | |
| 20 | 821070 | 1 | CLAMP, CORD | 4,57 Lei | |
| 23 | 322667 | 1 | S. A. GEARBOX. BOTTOM | 196,2 Lei | |
| 30 | 368469-00 | 1 | S. A. BLADE CLAMP R/H | 37,73 Lei | |
| 31 | 368470-00 | 1 | S. A. BLADE CLAMP L/H | 37,73 Lei | |
| 38 | 322661 | 2 | DAMPER. BEARING | 7,5 Lei | |
| 44 | 911325 | 9 | SCREW | 4,5 Lei | |
| 49 | 098000-11 | 1 | HEX KEY 5mm | 5,21 Lei | |
| 50 | N571221 | 1 | CORDSET QS 3600PCP | 80,04 Lei | |
| 50 | N571224 | 1 | SA CORDSET, POWER SUPPLY | 88,55 Lei | |
| 55 | 911026 | 4 | SCREW | 4,57 Lei |